[MK7] Klima nie chce się wyłączyć
Moderator: Moderatorzy
-
reaper7
[MK7] Klima nie chce się wyłączyć
Witam,
mam taki problemik jak w temacie (auto jak w stopce)
po przekręceniu stacyjki (nawet bez zapalania) kontrolka na pokrętle cały czas się świeci - nawet na pozycji 0, wentylator chłodnicy naturalnie też się kręci(bo klima załączona)...
żadnej reakcji na klikanie włącznikiem...
Gdzie szukać przyczyny?
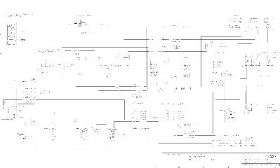
Gdzie dokładnie jest umiejscowiony przekaźnik oznaczony jako RB33 (od załączania wentylatora) - złącze C-1183 oraz dioda DB3(złącze C-1903)
mam taki problemik jak w temacie (auto jak w stopce)
po przekręceniu stacyjki (nawet bez zapalania) kontrolka na pokrętle cały czas się świeci - nawet na pozycji 0, wentylator chłodnicy naturalnie też się kręci(bo klima załączona)...
żadnej reakcji na klikanie włącznikiem...
Gdzie szukać przyczyny?
Gdzie dokładnie jest umiejscowiony przekaźnik oznaczony jako RB33 (od załączania wentylatora) - złącze C-1183 oraz dioda DB3(złącze C-1903)
- WieSiu
- Posty: 23684
- Rejestracja: 28 mar 2004, 17:41
- Lokalizacja: Wrocław
- Pojemność: 1600
- Rocznik: 1985
- Generacja: MK3
- Nadwozie: Sedan
- Kontakt:
przekaźnik ten od wentylatora masz koło akumulatora. A z takim czymś jak włączona klima nawet gdy auto wyłączone i przełącznik wentylatora kabiny też wyłączony to się nie spotkałem. Coś chyba jest manieszane w kablach przy skrzynce bezpieczników lub w samej skrzynce. Fajny masz ten schemat więc skorzystaj z niego i poszukaj wszystkich elementów odpowiedzialnych za włączanie klimy i je po prostu sprawdź (np. przekaźnik w skrzynce)
Ford Thuderbird 4.6 1996
Escort 2.0 150KM LPG Cabrio 1991
Suzuki Vitara 1998 2.0 V6
Kymco Super 9 LC 2011
x Orion 1.6 79KM 1985 Automat, Lancia Phedra 3.0 204KM 2004, Windstar 3.0 148KM LPG 1997, Escort 1.8TD 90KM Van 1997, Scorpio 2.9 24v 207KM Sedan 1995, Fiesta 1.3 60KM 5D 1996, Escort 1.6 105KM 3D 1996, Escort 1.8 TD 70KM Van 1999, Puma 1.7 125KM 1998, Escort 1.8 TD 90KM Kombi Ghia 1996, Escort 1.3 60KM LPG 5D 1994/1995, Skoda 105 1984 a potem 1982
Escort 2.0 150KM LPG Cabrio 1991
Suzuki Vitara 1998 2.0 V6
Kymco Super 9 LC 2011
x Orion 1.6 79KM 1985 Automat, Lancia Phedra 3.0 204KM 2004, Windstar 3.0 148KM LPG 1997, Escort 1.8TD 90KM Van 1997, Scorpio 2.9 24v 207KM Sedan 1995, Fiesta 1.3 60KM 5D 1996, Escort 1.6 105KM 3D 1996, Escort 1.8 TD 70KM Van 1999, Puma 1.7 125KM 1998, Escort 1.8 TD 90KM Kombi Ghia 1996, Escort 1.3 60KM LPG 5D 1994/1995, Skoda 105 1984 a potem 1982
-
reaper7
nic w skrzynce nie było zmieniane ani mieszane...
już zimą kilka razy tak było ale ustąpiło a teraz już dłuższy czas się to utrzymuje.
Przekaźnik w skrzynce (R17) nie ma na to zupełnie wpływu - czy jest czy go nie ma to i tak klima działa...to coś poza nim...
z jakiegoś miejsca dostaje się napięcie 12V,
skoro ta lampka się świeci to stawiam na te elementy które wymieniłem wcześniej czyli dioda DB3(i jej nie mogę namierzyć)
i ten przekaźnik od wiatraka chłodnicy...
ewentualnie coś z pinami 10 i 54 EEC a to byłby dramat
schemat kompletny w super rozdziałce zassać można TUTAJ
już zimą kilka razy tak było ale ustąpiło a teraz już dłuższy czas się to utrzymuje.
Przekaźnik w skrzynce (R17) nie ma na to zupełnie wpływu - czy jest czy go nie ma to i tak klima działa...to coś poza nim...
z jakiegoś miejsca dostaje się napięcie 12V,
skoro ta lampka się świeci to stawiam na te elementy które wymieniłem wcześniej czyli dioda DB3(i jej nie mogę namierzyć)
i ten przekaźnik od wiatraka chłodnicy...
ewentualnie coś z pinami 10 i 54 EEC a to byłby dramat
schemat kompletny w super rozdziałce zassać można TUTAJ
-
reaper7
-
reaper7
- WieSiu
- Posty: 23684
- Rejestracja: 28 mar 2004, 17:41
- Lokalizacja: Wrocław
- Pojemność: 1600
- Rocznik: 1985
- Generacja: MK3
- Nadwozie: Sedan
- Kontakt:
dioda jest gdzies w wiazce klinatyzacji, niestety nie pamietam gdzie dokladnie
Ford Thuderbird 4.6 1996
Escort 2.0 150KM LPG Cabrio 1991
Suzuki Vitara 1998 2.0 V6
Kymco Super 9 LC 2011
x Orion 1.6 79KM 1985 Automat, Lancia Phedra 3.0 204KM 2004, Windstar 3.0 148KM LPG 1997, Escort 1.8TD 90KM Van 1997, Scorpio 2.9 24v 207KM Sedan 1995, Fiesta 1.3 60KM 5D 1996, Escort 1.6 105KM 3D 1996, Escort 1.8 TD 70KM Van 1999, Puma 1.7 125KM 1998, Escort 1.8 TD 90KM Kombi Ghia 1996, Escort 1.3 60KM LPG 5D 1994/1995, Skoda 105 1984 a potem 1982
Escort 2.0 150KM LPG Cabrio 1991
Suzuki Vitara 1998 2.0 V6
Kymco Super 9 LC 2011
x Orion 1.6 79KM 1985 Automat, Lancia Phedra 3.0 204KM 2004, Windstar 3.0 148KM LPG 1997, Escort 1.8TD 90KM Van 1997, Scorpio 2.9 24v 207KM Sedan 1995, Fiesta 1.3 60KM 5D 1996, Escort 1.6 105KM 3D 1996, Escort 1.8 TD 70KM Van 1999, Puma 1.7 125KM 1998, Escort 1.8 TD 90KM Kombi Ghia 1996, Escort 1.3 60KM LPG 5D 1994/1995, Skoda 105 1984 a potem 1982
-
reaper7
diodę znalazłem przy bezpiecznikach przy akumulatorze,
była doklejona do przewodów od czujnika oszronienia przy nadmuchu,
walnięta - w obie strony przejście, tymczasem ją wyciągnąłem, zastanawiam się czy można ją jakąś zwykłą zastąpić,
mogę teraz przynajmniej wyłącznikiem zrobić ON/OFF
ale jest tak, że teraz albo elektromagnetyczne sprzęgło klimy jest załączone cały czas albo wcale(raczej obstawiam tą pierwszą przypadłość)
bo przy przełączaniu włącznikiem klimy na ON/OFF - mimo że lamka zapala się i gaśnie nie widzę tego minimalnego skoku obrotów i nie ma najmniejszego wachnięcia w pracy silnika (a wcześniej było ok)
...i to oczywiście nie wszystko, gdyż wentylator chłodnicy dalej się kręci po przekręceniu stacyjki, tak jakby przekaźnik od wentylatora (RB33) był sklejony a ja wciąż nie potrafię go namierzyć
Gdzie ten francol siedzi? jaki ma kolor?
co więcej wypinałem wtyczkę od czujnika temperatury (cztero-przewodowa przy osuszaczu i lewej przedniej lampie)
który w klimowanych odpowiada za wybór prędkości wentyla na chłodnicy - z wyłączoną wtyczką wentylator dalej się kręci!
była doklejona do przewodów od czujnika oszronienia przy nadmuchu,
walnięta - w obie strony przejście, tymczasem ją wyciągnąłem, zastanawiam się czy można ją jakąś zwykłą zastąpić,
mogę teraz przynajmniej wyłącznikiem zrobić ON/OFF
ale jest tak, że teraz albo elektromagnetyczne sprzęgło klimy jest załączone cały czas albo wcale(raczej obstawiam tą pierwszą przypadłość)
bo przy przełączaniu włącznikiem klimy na ON/OFF - mimo że lamka zapala się i gaśnie nie widzę tego minimalnego skoku obrotów i nie ma najmniejszego wachnięcia w pracy silnika (a wcześniej było ok)
...i to oczywiście nie wszystko, gdyż wentylator chłodnicy dalej się kręci po przekręceniu stacyjki, tak jakby przekaźnik od wentylatora (RB33) był sklejony a ja wciąż nie potrafię go namierzyć
co więcej wypinałem wtyczkę od czujnika temperatury (cztero-przewodowa przy osuszaczu i lewej przedniej lampie)
który w klimowanych odpowiada za wybór prędkości wentyla na chłodnicy - z wyłączoną wtyczką wentylator dalej się kręci!