problem z glosnikami z tylu

Pytania i odpowiedzi z tematyki car-audio

Moderator: Moderatorzy

Awatar użytkownika
DaVe
Posty: 210
Rejestracja: 15 mar 2008, 14:16
Lokalizacja: Wodzisław Śląski
Kontakt:

problem z glosnikami z tylu

Post autor: DaVe »

z tego co zauwazylem to w bagazniku wystepuje tylko po lewej stronie kostka do podlaczenia glosnika. a z prawej jest dziura w dywaniku. czyzby kabel zostal po prawej stronie usuniety? czy na tym jednym po lewej stronie musze obydwa podlaczyc ?
z gory dzieki za odpowiedz ;)

(ford escort mk7 1998)
Awatar użytkownika
siutek
Posty: 1610
Rejestracja: 08 lip 2007, 01:25
Lokalizacja: toruń/chełmża
Kontakt:

Post autor: siutek »

nie wiem jak jest w mk7, ale w mk5 kable sa po obu stronach.

podlaczanie 2 glosnikow, do jednej pary przewodow mija sie z celem, o stereo mozesz zapomniec w takim ukladzie, wiec musisz szukac kabli w tej dziurze. przy radiu musisz miec 8 przewodow do podlaczenia glosnikow, zatem nie mozliwe jest bys z tylu mial tylko jedna pare, zatem SZUKAJ! ;) sprobuj przesledzic jak leca przewody od radia.
jest: Peugeot 206+ 1.4HDI, 2009 | VW Polo 2003 1,4 TDI
był: Mercedes-Benz W168 A170 CDI 2002
był: Nissan Primera P11 Lift 1.6l
był: Escort MK5 1.4l
Awatar użytkownika
DaVe
Posty: 210
Rejestracja: 15 mar 2008, 14:16
Lokalizacja: Wodzisław Śląski
Kontakt:

Post autor: DaVe »

mam jeszcze jedno pytanie.

czytalem na forum ze mozna podpiac radio pod inny kabel zasilajacy tak zeby nie bylo konieczne przekrecenie stacyjki zeby radio zaczelo 'grac' ;/

moze ktos to rozwinac ?
Awatar użytkownika
siutek
Posty: 1610
Rejestracja: 08 lip 2007, 01:25
Lokalizacja: toruń/chełmża
Kontakt:

Post autor: siutek »

wlasnie ja mam u siebie tak zrobione, nie pamietam jakiego koloru jest ten przewod, jutro bede jechal do szkoly, to wyjme radio i Ci powiem co i jak. chyba ze ktos bedzie szybszy ode mnie.
jest: Peugeot 206+ 1.4HDI, 2009 | VW Polo 2003 1,4 TDI
był: Mercedes-Benz W168 A170 CDI 2002
był: Nissan Primera P11 Lift 1.6l
był: Escort MK5 1.4l
jaras231

Post autor: jaras231 »

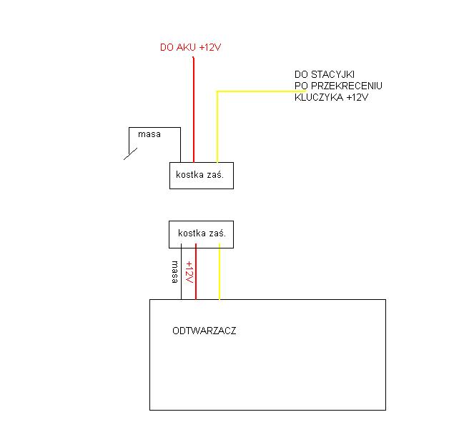
pytanie tylko jakie masz radio?
jesli posiadasz miernik uniwersalny to zmierz napiecie na kostce od zasilania radia, sa tam trzy przewody zazwyczaj czarny to masa czerwony to "B+" zasilanie na ktorym bez kluczyka jest 12V i np żółty na ktorym pojawia sie napiecie dopiero po przekreceniu kluczyka
musialbys zmierzyc ktory to "B+" i od strony radia dolozyc do niego ten "żółty" wlaczajacy napiecie po przekreceniu kluczyka,
Pamietaj ze kolory moga sie różnic najlepirj jest to zmierzyc miernikiem i podlaczyc wg schematu
Pozdrawiam
Załączniki
Podłącz tak
Podłącz tak
Podłączenie obecne
Podłączenie obecne
Awatar użytkownika
siutek
Posty: 1610
Rejestracja: 08 lip 2007, 01:25
Lokalizacja: toruń/chełmża
Kontakt:

Post autor: siutek »

a po co mostkowac?? ja u siebie zoltego nie mam podlaczonego i wszystko smiga jak nalezy. to chyba zalezy od radia czy potrzebuje napiecie na obu przewodach.
jest: Peugeot 206+ 1.4HDI, 2009 | VW Polo 2003 1,4 TDI
był: Mercedes-Benz W168 A170 CDI 2002
był: Nissan Primera P11 Lift 1.6l
był: Escort MK5 1.4l
jaras231

Post autor: jaras231 »

bo ty masz zrobione ze bez kluczyka radio gra, a kolega musi miec kluczyk przekrecony zeby zagralo
w nowszych radiach robią nawet szybko złącza ze nie trzeba nic przecinac tylko przekladamy przewony z gniazdka do gniazdka w zaleznosci jak chcemy iec podlaczone w starszych radiach moglo tego nie byc
Awatar użytkownika
DaVe
Posty: 210
Rejestracja: 15 mar 2008, 14:16
Lokalizacja: Wodzisław Śląski
Kontakt:

Post autor: DaVe »

ok wszystko porobilem tak jak nalezy ;)

radyjko gra tak jak chcialem:D
kable z tylu znalazly sie pod tapicerka (hahaha)

sprzecik gra swietnie :D

za niecale 400 zl mam cale naglosnienie ;) (kumpel z sklepu car audio mi polecil pewna marke)

dzieki za pomoc :)



ps mozna zamknac (chyba ze ktos ma jeszcze jakies pytania)
ODPOWIEDZ