Nierówna praca silnika(zbyt małe obroty) gaźnik!!

Moderator: Moderatorzy

Awatar użytkownika
michmarmik
Posty: 149
Rejestracja: 28 maja 2007, 17:49
Lokalizacja: Suchedniów

Nierówna praca silnika(zbyt małe obroty) gaźnik!!

Post autor: michmarmik »

Na wstępie witam wszystkich forumowiczy!!
zaznaczam iz szukalem juz troche odpowiedzi na moj problem ale niestety nie znalazlem albo i przeoczylem(choc pewnie jest ich z 100 ;)), wiec prosze o wyrozumialsc.

Więc do rzeczy!
Ford 1,6l 92r.
Problem: obroty na biegu jałowym czesto spadaja do 500 albo i nawet (oststnio) silnik gasl! raz jest dobrze a raz zle.szczerze mowiac nie mam pojecia co to moze byc.czytalem o jakims silniku krokowym ale nie wiem nawet czy ten model go posiada? wiec prosilbym o pomoc z uwzglednieniem gdzie co jest :)
za pomoc szczerze dziekuje!!!
do moderatora: jesli taki post juz istnieje to podepnij mnie do niego,ale prosze nie kasuj!
pozdrawiam
Ostatnio zmieniony 01 paź 2007, 22:08 przez michmarmik, łącznie zmieniany 1 raz.
Awatar użytkownika
Yagr
Posty: 14736
Rejestracja: 23 lip 2006, 00:12
Lokalizacja: Kraków
Pojemność: 1598
Rocznik: 2007
Generacja: MK2
Nadwozie: Kombi
Kontakt:

Post autor: Yagr »

michmarmik pisze:czy ten model go posiada?
posiada
ale problem może tkwić też gdzieś indziej - jeśli po rozgrzaniu silnik utrzymuje prawidłowe obroty to może być faktycznie zawór regulacji obrotów jałowych (albo silnik krokowy albo elektrozawór w zależności od silnika)
możesz też mieć zapchany filtr paliwa, filtr powietrza, uszkodzony czujnik położenia wału itp.
Temat był faktycznie wałkowany wielokrotnie i były też fotografie silnika krokowego/elektrozaworu :razz:
czy twój silnik to 16v czy 8v?
zajrzyj tu http://siec.no-ip.com/forum/viewtopic.php?t=3378
Ostatnio zmieniony 28 maja 2007, 19:05 przez Yagr, łącznie zmieniany 1 raz.
Polak potrafi!!



ale mu się nie chce...
a jak mu się zechce...
to potrafi



spieprzyć!

P I W O L E C Z Y !

"wszystko co ma cycki lub koła będzie sprawiało problemy"
Awatar użytkownika
darcun4
Posty: 3498
Rejestracja: 22 mar 2005, 20:46
Lokalizacja: Toruń

xxx

Post autor: darcun4 »

Tu masz krokowy w 8 V
Załączniki
Krokowy 8V.jpg
Awatar użytkownika
Yagr
Posty: 14736
Rejestracja: 23 lip 2006, 00:12
Lokalizacja: Kraków
Pojemność: 1598
Rocznik: 2007
Generacja: MK2
Nadwozie: Kombi
Kontakt:

Post autor: Yagr »

to to ustrojstwo z niebieską nalepką ze znaczkiem forda i numerkiem :grin:
Polak potrafi!!



ale mu się nie chce...
a jak mu się zechce...
to potrafi



spieprzyć!

P I W O L E C Z Y !

"wszystko co ma cycki lub koła będzie sprawiało problemy"
Awatar użytkownika
michmarmik
Posty: 149
Rejestracja: 28 maja 2007, 17:49
Lokalizacja: Suchedniów

Post autor: michmarmik »

Silnik mam 8V , ale zadnego silniczka krokowego czy tez elektrozaworu nie widze.
zalaczam fotgrafie gaznika!i calego silnika. a i jeszcze jedno !silnik po rozgrzaniu rowniez ma niestabilne obroty tak jak napisalem raz jest dobrze a raz nie.
filtr powietrza czysty, paliwa nie wiem sprawdze,czujnik walu sprawdze.
a i jesze takie pytanie co to jest za czujnik?zaznaczylem za czerwono na zdjeciu.
Załączniki
IMG_2278.JPG
IMG_2279.JPG
IMG_2280.JPG
IMG_2281.JPG
Co to za czujnik??
Co to za czujnik??
Awatar użytkownika
Yagr
Posty: 14736
Rejestracja: 23 lip 2006, 00:12
Lokalizacja: Kraków
Pojemność: 1598
Rocznik: 2007
Generacja: MK2
Nadwozie: Kombi
Kontakt:

Post autor: Yagr »

chłopie!! ty masz gaźnik co powinieneś napisać na samym początku bo to dość zmienia stan rzeczy. Gdy piszesz 1,6 Mk5 z 1992 roku to większość (nie zaryzykuję stwierdzenia że wszystkie) escortów z tych roczników i pojemności miała wtrysk! Więc albo masz jakąś michałkową wersję albo ktoś dziargał w tym autku po swojemu (albo wywalił układ wtryskowy (jedno- czy wielopunktowy) i wrzucił gaźnik, albo masz składaka z silnikiem od Mk 4, albo ktoś wymienił cały zespół napędowy (co na jedno wychodzi :razz: ) Teraz gdy wreszcie ujawniłeś te ściśle tajną informację możemy dopiero zacząć szukać właściwej przyczyny problemów. Moim zdaniem to albo padnięty/źle wyregulowany gaźnik (nie znam się na tym - czekaj na innego speca) albo problem z dostarczaniem paliwa do gaźnika (pompa, filtr itp)

ps. sorry, wersja z gaźnikiem nie jest michałkow i ma sporo zalet względem wtrysku ale takie rzeczy pytając o radę trzeba ujawnić ;)
Polak potrafi!!



ale mu się nie chce...
a jak mu się zechce...
to potrafi



spieprzyć!

P I W O L E C Z Y !

"wszystko co ma cycki lub koła będzie sprawiało problemy"
Awatar użytkownika
darcun4
Posty: 3498
Rejestracja: 22 mar 2005, 20:46
Lokalizacja: Toruń

xxx

Post autor: darcun4 »

Ło !! A to trefniś :mrgreen:

"

W sierpniu 1990 roku, po 10 latach od wprowadzenia na rynek pierwszej generacji samochodu Ford Escort o napędzie kół przednich, firma Ford rozpoczęła produkcję jego następcy— drugiej generacji modelu Escort z przednim napędem oznaczonej Escort '91 (rys. 0.1) oraz równocześnie produkcję modelu Orion '91 o nadwoziu trzybryłowym (rys. 0.2), który zastąpił produkowany przez 7 lat model o tej samej nazwie. Sprzedaż tych samochodów rozpoczęto w Europie we wrześniu 1990 roku.

W nowej rodzinie zastosowano znane już silniki benzynowe CVH (z wałem rozrządu umieszczonym w głowicy) o pojemności 1,4 dm3 i gaźnikowym lub jednopunktowym wtrysku benzyny, o mocy odpowiednio 54 kW (73 KM) lub 52 kW (71 KM) oraz o pojemności 1,6 dm3 i wielopunk-towym wtrysku benzyny, o mocy 66; 77 i 79 kW (90; 105 i 108 KM). Użytkownikom preferującym mniejsze pojemności silnika zaoferowano wcześniej znane silniki benzynowe HCS (z wałem rozrządu umieszczonym w kadłubie) o pojemności 1,1 dm3 (tylko Escort '91) oraz 1,3dm3. Alternatywnie do napędu samochodu zaoferowano stosowany wcześniej silnik wysokoprężny o pojemności 1,8 dm3.

W miesiąc później na Salonie Samochodowym w Paryżu Ford zaprezentował nowy samochód Escort XR3i o trzydrzwiowym nadwoziu, napędzany szesnastozaworowym silnikiem benzynowym CVH o pojemności skokowej 2,Odm3 i mocy 110kW (150 KM). Silnik ten wywodził się od silnika „Twin Cam" (z dwoma wałami rozrządu) stosowanego już w niektórych wersjach modeli Sierra i Scorpio oraz Escort RS 2000.

W styczniu 1991 roku wprowadzono dwie nowości: kombi pod nazwą Escort Clipper oraz całkowicie nową rodzinę silników benzynowych, zwaną Zeta. Silniki Zeta są szesnastozaworowymi silnikami przeznaczonymi dla wielu modeli samochodów Ford lat 90. Silnik Zeta 1,8dm3 w dwóch odmianach o mocy 77 lub 96 kW (105 lub 130 KM) był pierwszą wersją rodziny tych silników przeznaczoną do samochodów Escort XR3i. W sierpniu 1992 roku samochody Ford Escort i Orion zmodernizowano, wprowadzając w modelu Escort pokrywę przedziału silnika z owalnąosłoną ozdobną wlotu powietrza (rys. 0.3) i zmieniając kształt tylnych lamp zespolonych, zderzaków oraz progów nadwozia. W modelu Orion zastosowano podobny kształt przedniej części nadwozia, lecz wlot powietrza miał poziomą listwę zamiast siatki. Wprowadzono także drugą wersję silnika Zeta o pojemności 1,6 dm3 i mocy 66 kW (90 KM). Wersję kabriolet zmodernizowano podobnie w kilka miesięcy później. W marcu 1993 roku na Salonie samochodowym w Genewie oficjalnie zaprezentowano kabriolet Escort wyposażony w silnik Zeta"

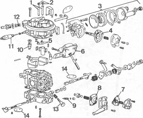
Zastosowano dwuprzelotowy gaźnik opadowy firmy Weber z pompką przyspieszenia, podciśnieniowym urządzeniem wzbogacającym, przepustnicą drugiego przelotu sterowaną podciśnieniem oraz podciśnieniowym opóźnianiem zamykania przepustnicy w silnikach z mechaniczną skrzynką przekładniową.

"Samochody wyposażone w silnik 1,6dm3 bez katalizatora spalin (typu LUK) oraz wspomagania układu kierowniczego lub klimatyzację są wyposażone w regulator biegu jałowego. Jest to elektryczny silnik krokowy sprzężony z przepustnicą gaźnika. W tym przypadku prędkość obrotowa biegu jałowego nie jest regulowana ręcznie. Marka i typ: Weber TLD (2V)."
Załączniki
Elementy gaźnika Weber TLD
<br />
<br />1&amp;#8212;rurki emulsyjne 1.12. przelotu, 2&amp;#8212;dysze powietrza 1.12. przelotu, 3&amp;#8212;automatyczne urządzenie rozruchowe, 4&amp;#8212;siłownik uchylania przepustnicy rozruchowej (pull-down), 5 &amp;#8212; główne dysze paliwa 1. i 2
Elementy gaźnika Weber TLD

1&#8212;rurki emulsyjne 1.12. przelotu, 2&#8212;dysze powietrza 1.12. przelotu, 3&#8212;automatyczne urządzenie rozruchowe, 4&#8212;siłownik uchylania przepustnicy rozruchowej (pull-down), 5 &#8212; główne dysze paliwa 1. i 2
Śruba (1) regulacji przyspieszonego biegu jałowego.jpg
Śruba (1) regulacji przyspieszonego biegu jałowego.jpg (4.9 KiB) Przejrzano 12241 razy
Usytuowanie wkrętów regulacji biegu jałowego.jpg
Usytuowanie wkrętów regulacji biegu jałowego.jpg (6.81 KiB) Przejrzano 12241 razy
Awatar użytkownika
michmarmik
Posty: 149
Rejestracja: 28 maja 2007, 17:49
Lokalizacja: Suchedniów

Post autor: michmarmik »

no dobra mam Escort Clipper 1.6 8V gaźnik 92r. :)
nie wiem czy ja dobrze zrozumialem ale wydaje mi sie ze powinienem wyregulowac obroty tymi wkretami z rysunku pierwszego czy drugiego????
dla rozwiania wszelkich watpliwosci na gazniku pizse weber 89sf ea nie wiem czy to cos znaczy ale pisze na wszelki wypadek
___________________________________
Był: Escort 1.4 F4B MK6 94r. + LPG
Był: Escort 1.6 LUJ MK5 92r. +LPG
Jest: Focus 1.8 Zetec-E MK1 98r.
Jest: Mondeo 1.8 RKH Turnier MK2 98r +LPG
Awatar użytkownika
michmarmik
Posty: 149
Rejestracja: 28 maja 2007, 17:49
Lokalizacja: Suchedniów

Post autor: michmarmik »

i jak?? ruszac te wkrety czy nie? zebym nie zrobil gorzej niz jest.
a moze wymienic swiece i przewody i przeczyscic gaznik???
Awatar użytkownika
michmarmik
Posty: 149
Rejestracja: 28 maja 2007, 17:49
Lokalizacja: Suchedniów

Post autor: michmarmik »

no wiec problem jest nadal, z tym ze niskie obroty wystepuja przy zimnym silniku, a skoro idzie zima to trzeba to zrobic :) (tak stwierdzil moj ojciec)(problem dotyczy Escort Clipper 1.6 8V gaźnik 92r nalezacego do ojca) no i sie chyba ja wezme za to tylko pomozcie bo nie wiem od czego zaczac :) :razz: moze to wina ssania,chyba tokowe jest automatyczne?
___________________________________
Był: Escort 1.4 F4B MK6 94r. + LPG
Był: Escort 1.6 LUJ MK5 92r. +LPG
Jest: Focus 1.8 Zetec-E MK1 98r.
Jest: Mondeo 1.8 RKH Turnier MK2 98r +LPG
Awatar użytkownika
Yagr
Posty: 14736
Rejestracja: 23 lip 2006, 00:12
Lokalizacja: Kraków
Pojemność: 1598
Rocznik: 2007
Generacja: MK2
Nadwozie: Kombi
Kontakt:

Post autor: Yagr »

jeżeli niskie masz przy zimnym silniku to możesz mieć problem z ssaniem
Polak potrafi!!



ale mu się nie chce...
a jak mu się zechce...
to potrafi



spieprzyć!

P I W O L E C Z Y !

"wszystko co ma cycki lub koła będzie sprawiało problemy"
Awatar użytkownika
michmarmik
Posty: 149
Rejestracja: 28 maja 2007, 17:49
Lokalizacja: Suchedniów

Post autor: michmarmik »

A jak ssanie jest ok?tzn.otarcie przepustnicy sie zgadza.
p.s. darcun4 na fotografi to chyba jest elektrozawor? a nie krokowy??
ps2.a mozna taki elektrozawor rozlazyc na czesci tzn.wyciagnac z srodka tez "zawor"(sprężynke itp.)zeby go dokladnie wyczyscic i sprawdzic szczelnosc?jak a jest zasada jego dzialania??
___________________________________
Był: Escort 1.4 F4B MK6 94r. + LPG
Był: Escort 1.6 LUJ MK5 92r. +LPG
Jest: Focus 1.8 Zetec-E MK1 98r.
Jest: Mondeo 1.8 RKH Turnier MK2 98r +LPG
Awatar użytkownika
Jamszoł
Posty: 22194
Rejestracja: 29 lip 2006, 01:17
Lokalizacja: Kalisz
Pojemność: 2300
Rocznik: 2008
Generacja: MK4
Nadwozie: Kombi
Kontakt:

Post autor: Jamszoł »

Zasada działania taka sama jak krokowca - elektrozaworu nie rozłożysz na części. :(
Oczy 6.11.2010/15.01.2020 [ 28.08.2012_16.30 ]
Awatar użytkownika
michmarmik
Posty: 149
Rejestracja: 28 maja 2007, 17:49
Lokalizacja: Suchedniów

Post autor: michmarmik »

szkoda:( bo ciezko go wyczyscic dokladnie :(
___________________________________
Był: Escort 1.4 F4B MK6 94r. + LPG
Był: Escort 1.6 LUJ MK5 92r. +LPG
Jest: Focus 1.8 Zetec-E MK1 98r.
Jest: Mondeo 1.8 RKH Turnier MK2 98r +LPG
Awatar użytkownika
Jamszoł
Posty: 22194
Rejestracja: 29 lip 2006, 01:17
Lokalizacja: Kalisz
Pojemność: 2300
Rocznik: 2008
Generacja: MK4
Nadwozie: Kombi
Kontakt:

Post autor: Jamszoł »

Może nie mechanicznie ale przy elektryce trzeba pogrzebać ?
Oczy 6.11.2010/15.01.2020 [ 28.08.2012_16.30 ]
ODPOWIEDZ