dziwne
Moderator: Moderatorzy
-
czlowiekdemolka
dziwne
Witam
Mam pewien problem... Otoz wczoraj bylem na przegladzie (pierwszy od kupna), jakie bylo moje zdziwienie i diagnosty, gdy zobaczylismy ze brakuje kielichow z tylu, sprezyny leza na karoserii(podlozone kawalek gumy zeby nie halasowaly). Oczywiscie przegladu nie dostalem, gosc powiedzial ze nie widzail czegos takiego w calej swojej karierze (ok. 15 lat). Co robic? Może mi ktos podeslac fotki tylnego zawieszenia...
Chodzi o escorta '95 1,6 EFI Kombi.
Pozdrawiam i czekam na pomysly
Mam pewien problem... Otoz wczoraj bylem na przegladzie (pierwszy od kupna), jakie bylo moje zdziwienie i diagnosty, gdy zobaczylismy ze brakuje kielichow z tylu, sprezyny leza na karoserii(podlozone kawalek gumy zeby nie halasowaly). Oczywiscie przegladu nie dostalem, gosc powiedzial ze nie widzail czegos takiego w calej swojej karierze (ok. 15 lat). Co robic? Może mi ktos podeslac fotki tylnego zawieszenia...
Chodzi o escorta '95 1,6 EFI Kombi.
Pozdrawiam i czekam na pomysly
SPRĘŻNA JEST PRZYMOCOWANA MIĘDZY BELKˇ A PODWOZIE A AMORTYZATORY Sˇ OBOK SPRĘŻYNY
A O KT€RE KIELICHY CI CHODZI NIE KUMAM
A O KT€RE KIELICHY CI CHODZI NIE KUMAM
fiesta 1.4 tdci
Insignia b 260 KM 2018
insignia2,0 CDTI 200 KM
dpf out chip
dci 1.9 130KM
puntoII 1.2 16v
-FOCUS - GHIA
-FIESTA-GHIA 1.25
-MEGAN CUPE 2.0 LPG
- ESCORT 1.4 COMBI
kiedyś_NIKO
KONTAKT 604285432
-
Insignia b 260 KM 2018
insignia2,0 CDTI 200 KM
dpf out chip
dci 1.9 130KM
puntoII 1.2 16v
-FOCUS - GHIA
-FIESTA-GHIA 1.25
-MEGAN CUPE 2.0 LPG
- ESCORT 1.4 COMBI
kiedyś_NIKO
KONTAKT 604285432
-
-
czlowiekdemolka
chodzi o element ktory trzyma sprezyny na miejscu przy podwoziu... u mnie jest tam tylko takie male wybrzyszenie karoserii i gumowy krazek, sprzezyny praktycznie trzyma tylko ciezar samochoduARIEL-NIKO pisze:SPRĘŻNA JEST PRZYMOCOWANA MIĘDZY BELKˇ A PODWOZIE A AMORTYZATORY Sˇ OBOK SPRĘŻYNY
A O KT€RE KIELICHY CI CHODZI NIE KUMAM
zawiechy
Nie wiem czy takie fotki wystarczą ale sam pod mojego kładł się nie będę
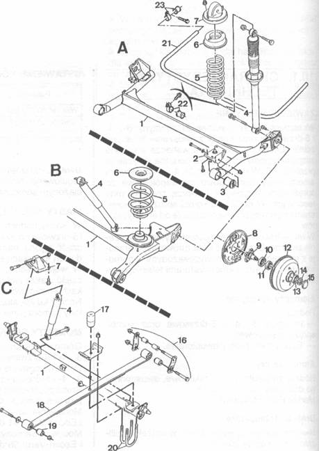
Rys. 10.1. Elementy zawieszenia tylnego
A—limuzyny 3-, 4- i 5-drzwiowe, B — kombi, C—furgonik (Van)
1—belka poprzeczna, 2— wspornik wahacza, 3—tuleja metalowo-gumowa wahacza, 4—amortyzator, 5 — sprężyna zawieszenia, 6 — górna podkładka oporowa sprężyny, 7—wspornik górnego mocowania kolumny resorującej lub amortyzatora, 8—tarcza nośna hamulca, 9—czop piasty koła, 10—pierścień uszczelniający, 11—wewnętrzne łożysko piasty, 12—bęben hamulca, 13—zewnętrzne łożysko piasty, 14—nakrętka czopa piasty koła, 15 —kołpak piasty, 16—wieszak resoru, 17—zderzak gumowy, 18—resorpiórowy, 19—przednia tuleja metalowo-gumowa resoru, 20—jarzmo mocowania belki poprzecznej do resoru, 21 —drążek stabilizatora, 22—jarzmo mocowania drążka stabilizatora, 23—jarzmp mocowania ramienia drążka stabilizatora
Rys. 10.1. Elementy zawieszenia tylnego
A—limuzyny 3-, 4- i 5-drzwiowe, B — kombi, C—furgonik (Van)
1—belka poprzeczna, 2— wspornik wahacza, 3—tuleja metalowo-gumowa wahacza, 4—amortyzator, 5 — sprężyna zawieszenia, 6 — górna podkładka oporowa sprężyny, 7—wspornik górnego mocowania kolumny resorującej lub amortyzatora, 8—tarcza nośna hamulca, 9—czop piasty koła, 10—pierścień uszczelniający, 11—wewnętrzne łożysko piasty, 12—bęben hamulca, 13—zewnętrzne łożysko piasty, 14—nakrętka czopa piasty koła, 15 —kołpak piasty, 16—wieszak resoru, 17—zderzak gumowy, 18—resorpiórowy, 19—przednia tuleja metalowo-gumowa resoru, 20—jarzmo mocowania belki poprzecznej do resoru, 21 —drążek stabilizatora, 22—jarzmo mocowania drążka stabilizatora, 23—jarzmp mocowania ramienia drążka stabilizatora
-
emceha
-
czlowiekdemolka
no i na to wyglada....emceha pisze:Ja tam nie widze żadnego miejsca na mocowanie sprężyny do nadwozia /
Coś mi się wydaje że Pan diagnosta w swojej bujnej 15 letniej karierze nie widział escorta kombi
Po dokladnemu przyjrzeniu sie rysunkom, wnioskuje ze mam calkiem inne sprezyny i w tym chyba problem....
- Jamszoł
- Posty: 22193
- Rejestracja: 29 lip 2006, 01:17
- Lokalizacja: Kalisz
- Pojemność: 2300
- Rocznik: 2008
- Generacja: MK4
- Nadwozie: Kombi
- Kontakt:
Człowiekdemolka jak ci się nie spieszy to w niedziele wstawie fotki swojego kombiaka mam nowiuśko pomalowane podwozie farbą podkładową ( jasno siwą) to będzie dobrze widać.Dla pewności wstawie 2 zdjątka lewą i prawą stronę.[Jak by kto pytał to podkład akrylowy pod konserwację (Boll) ]
Oczy 6.11.2010/15.01.2020 [ 28.08.2012_16.30 ]
-
czlowiekdemolka
fajnie czekam na fotki...jamszoł pisze:Człowiekdemolka jak ci się nie spieszy to w niedziele wstawie fotki swojego kombiaka mam nowiuśko pomalowane podwozie farbą podkładową ( jasno siwą) to będzie dobrze widać.Dla pewności wstawie 2 zdjątka lewą i prawą stronę.[Jak by kto pytał to podkład akrylowy pod konserwację (Boll) ]
własnie nr6 to pokazuje no chyba że ukolegi to zgniło.emceha pisze:Ja tam nie widze żadnego miejsca na mocowanie sprężyny do nadwozia
czlowiekdemolka, moze ty umisz jakies f otki podesłac twojego combiaka
fiesta 1.4 tdci
Insignia b 260 KM 2018
insignia2,0 CDTI 200 KM
dpf out chip
dci 1.9 130KM
puntoII 1.2 16v
-FOCUS - GHIA
-FIESTA-GHIA 1.25
-MEGAN CUPE 2.0 LPG
- ESCORT 1.4 COMBI
kiedyś_NIKO
KONTAKT 604285432
-
Insignia b 260 KM 2018
insignia2,0 CDTI 200 KM
dpf out chip
dci 1.9 130KM
puntoII 1.2 16v
-FOCUS - GHIA
-FIESTA-GHIA 1.25
-MEGAN CUPE 2.0 LPG
- ESCORT 1.4 COMBI
kiedyś_NIKO
KONTAKT 604285432
-
- Jamszoł
- Posty: 22193
- Rejestracja: 29 lip 2006, 01:17
- Lokalizacja: Kalisz
- Pojemność: 2300
- Rocznik: 2008
- Generacja: MK4
- Nadwozie: Kombi
- Kontakt:
Sprężyny
Obiecałem fotki więc wstawiam.
Jak powiedziałem koledze diagnoście (diagnostykę mam w mojej firmie) to powiedział , że tamten diagnosta to jakiś nawiedzony schorowany człowiek i powinien się leczyć - ale na nogi bo na głowę to już zapuźno.
Jak powiedziałem koledze diagnoście (diagnostykę mam w mojej firmie) to powiedział , że tamten diagnosta to jakiś nawiedzony schorowany człowiek i powinien się leczyć - ale na nogi bo na głowę to już zapuźno.
- Załączniki
Oczy 6.11.2010/15.01.2020 [ 28.08.2012_16.30 ]
-
emceha