Chlodnica oleju - pominiecie w obiegu
Moderator: Moderatorzy
Chlodnica oleju - pominiecie w obiegu
Czy mozna pominac chlodnice oleju w obiegu plynu chlodzenia? Chce odlaczyc weze od nagrzewnicy i zlaczyc razem. Bez chlodnicy. Co sie stanie? Silnik 1.8 Td 70 km
,
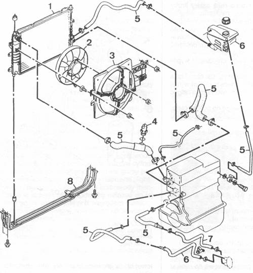
Dysponuję takim schematem i naprawdę nie widzę na nim chłodnicy oleju.
Kiedyś czytałem, że chłodnice oleju w dieslach zaczęto stosować od momentu montażu turbin.
Tak więc się nie upieram, że Ty jej nie masz, bo może ktoś zaczął uturbiać ten silnik od zamontowania chłodnicy oleju.
P.S.
Dodam jeszcze schemat układu chłodzenia, bo może coś tam dostrzeżesz.
Kiedyś czytałem, że chłodnice oleju w dieslach zaczęto stosować od momentu montażu turbin.
Tak więc się nie upieram, że Ty jej nie masz, bo może ktoś zaczął uturbiać ten silnik od zamontowania chłodnicy oleju.
P.S.
Dodam jeszcze schemat układu chłodzenia, bo może coś tam dostrzeżesz.
- WieSiu
- Posty: 23759
- Rejestracja: 28 mar 2004, 17:41
- Lokalizacja: Wrocław
- Pojemność: 1600
- Rocznik: 1985
- Generacja: MK3
- Nadwozie: Sedan
- Kontakt:
wersje z tubina maja inna podstawe filtra oleju,wiec calkiem mozliwe ze to jest wlasnie ta chlodnica oleju.
Ford Thuderbird 4.6 1996
Escort 2.0 150KM LPG Cabrio 1991
Suzuki Vitara 1998 2.0 V6
Kymco Super 9 LC 2011
x Orion 1.6 79KM 1985 Automat, Lancia Phedra 3.0 204KM 2004, Windstar 3.0 148KM LPG 1997, Escort 1.8TD 90KM Van 1997, Scorpio 2.9 24v 207KM Sedan 1995, Fiesta 1.3 60KM 5D 1996, Escort 1.6 105KM 3D 1996, Escort 1.8 TD 70KM Van 1999, Puma 1.7 125KM 1998, Escort 1.8 TD 90KM Kombi Ghia 1996, Escort 1.3 60KM LPG 5D 1994/1995, Skoda 105 1984 a potem 1982
Escort 2.0 150KM LPG Cabrio 1991
Suzuki Vitara 1998 2.0 V6
Kymco Super 9 LC 2011
x Orion 1.6 79KM 1985 Automat, Lancia Phedra 3.0 204KM 2004, Windstar 3.0 148KM LPG 1997, Escort 1.8TD 90KM Van 1997, Scorpio 2.9 24v 207KM Sedan 1995, Fiesta 1.3 60KM 5D 1996, Escort 1.6 105KM 3D 1996, Escort 1.8 TD 70KM Van 1999, Puma 1.7 125KM 1998, Escort 1.8 TD 90KM Kombi Ghia 1996, Escort 1.3 60KM LPG 5D 1994/1995, Skoda 105 1984 a potem 1982
- WieSiu
- Posty: 23759
- Rejestracja: 28 mar 2004, 17:41
- Lokalizacja: Wrocław
- Pojemność: 1600
- Rocznik: 1985
- Generacja: MK3
- Nadwozie: Sedan
- Kontakt:
napisalem w innym temacie,ze mozesz odlaczyc to na niedlugi czas, przeciez zwykle wersje D sobie jakos bez tego radza,ale jezdzic tak na codzien nie zalecam
Ford Thuderbird 4.6 1996
Escort 2.0 150KM LPG Cabrio 1991
Suzuki Vitara 1998 2.0 V6
Kymco Super 9 LC 2011
x Orion 1.6 79KM 1985 Automat, Lancia Phedra 3.0 204KM 2004, Windstar 3.0 148KM LPG 1997, Escort 1.8TD 90KM Van 1997, Scorpio 2.9 24v 207KM Sedan 1995, Fiesta 1.3 60KM 5D 1996, Escort 1.6 105KM 3D 1996, Escort 1.8 TD 70KM Van 1999, Puma 1.7 125KM 1998, Escort 1.8 TD 90KM Kombi Ghia 1996, Escort 1.3 60KM LPG 5D 1994/1995, Skoda 105 1984 a potem 1982
Escort 2.0 150KM LPG Cabrio 1991
Suzuki Vitara 1998 2.0 V6
Kymco Super 9 LC 2011
x Orion 1.6 79KM 1985 Automat, Lancia Phedra 3.0 204KM 2004, Windstar 3.0 148KM LPG 1997, Escort 1.8TD 90KM Van 1997, Scorpio 2.9 24v 207KM Sedan 1995, Fiesta 1.3 60KM 5D 1996, Escort 1.6 105KM 3D 1996, Escort 1.8 TD 70KM Van 1999, Puma 1.7 125KM 1998, Escort 1.8 TD 90KM Kombi Ghia 1996, Escort 1.3 60KM LPG 5D 1994/1995, Skoda 105 1984 a potem 1982