Kupiłem komplet luster oraz wiązki (drzwiowe + kabinową).
Dziś wymieniłem jedną wiązkę drzwiową - od kierowcy.
Co ciekawe po wpięciu lusterka w kostkę działa sterowanie (ale tylko prawo-lewo) oraz podgrzewanie też
Niestety z drugiej strony nie jest tak różowo.
A wiec trzeba będzie rozebrać jednak pół auta i powymieniać wiązkę.
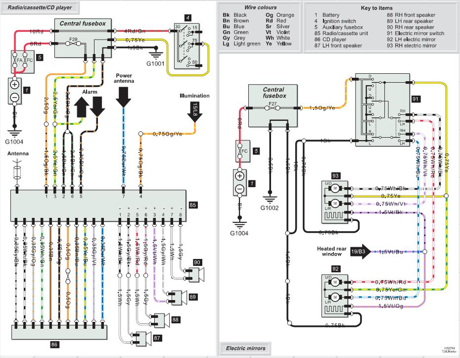
Moje pytanie 1 brzmi czy ktoś jest w stanie określić które kable są odpowiedzialne za elektrykę luster i ich podgrzewane?
Pytam ponieważ dostałem jakaś bogatą wersję wiązki, jest nawet z puszką alarmu oryginalnego, którego sam teraz nie mam i nie potrzebuję.
Przez to pewnie jest milion niepotrzebnych kabli a potem może się to krzaczyć.
Być może dam radę tylko przełożyć odpowiednie kable.
Dziś też chciałem przetestować wiązkę - podłączyłem obie drzwiowe do końcówek kabinowej. Następnie wypiąłem ze skrzynki kostkę starej instalacji (taką podłużną) i zastąpiłem ja kostką z nowej-testowanej.
Niestety nie ma żadnego efektu. Nic nie działa - ani centralny ani lustra.
Potem zastąpiłem tę niebieską wtyczkę to też była w nowej wiązce. Również zero efektu.
Wreszcie tą malutką wtyczkę z dwoma kabelkami (choć w nowej wiązce jest tylko jeden).
I dalej nic nie działało.
Przyznam, że trochę się zmartwiłem. Wydawało mi się że powinno wszystko śmigać - no oprócz szyb bo przełączników nie podłączyłem a tu zonk.
Tu pytanie 2 jak ewentualnie jeszcze inaczej mógłbym tą wiązkę nową sprawdzić, które wtyczki powinienem podłączyć do skrzynki bezpieczników?
--
po poszperaniu trochę po forum i necie doszedłem do wniosku że najlepiej będzie dołożyć tylko bodajże 4 kabelki idących od lewego do prawego lustra.
(3x sterowanie + 1x podgrzewanie)
i tu właśnie jest ten problem o którym piszę, skąd wziąć jakiś schemat czy coś aby ogarnąć funkcje kabli?
[ Dodano: Czw 13 Paź, 2011 ]
martwi mnie również to działanie lewego lusterka tylko w poziomie, czy na takim etapie powinno już działać we wszystkich kierunkach?













