Linka od ręcznego

Moderator: Moderatorzy

Dola

Linka od ręcznego

Post autor: Dola »

Kupilem linke od recznego, pan w sklepie mowil ze to do kombi itd itd. kiedy przyszło do załozenia okazało sie ze linka strasznie ciezko ale to strasznie ciezko wchodzi, zaczynalem od srodka ja wkładac to nie bylo opcji zeby ja włozyc w bębny, to zaczołem od bębnow i jakos doszłem do srodka ale naprawde musialem sie sporo siłowac zeby ja wsadzic.... nawet mierzylem stara linke z nowa i sa identycznej dlugosci... problem w tym ze ze linka poluzowana na śrubie w środku jest do konca na tyle zeby gwint nie puscił , kolo bodajze prawe chodzi na luzno natomiast lewe bo tam linka jest chyba krótsza trzyma jak cholera ze sie spod kapci kopci przy dluzszej jezdzie , a hamulec dalej nie działa , szczeki tez sa nowiuśkie, czy to moze byc wina tych samo regulatorów w bębnach , bo mi sie wydaje poprostu ze ta linka juz sama po załozeniu za mocno naciaga szczeki i nie moga sie one jakos same wyregulowac....
Awatar użytkownika
ARIEL
Posty: 1933
Rejestracja: 22 sty 2006, 20:33
Lokalizacja: Rybnik-Śląsk
Kontakt:

Post autor: ARIEL »

regulacja jest pod spodem samochodu na lince taki plastykowy motylek
fiesta 1.4 tdci
Insignia b 260 KM 2018
insignia2,0 CDTI 200 KM
dpf out chip
dci 1.9 130KM
puntoII 1.2 16v
-FOCUS - GHIA
-FIESTA-GHIA 1.25
-MEGAN CUPE 2.0 LPG
- ESCORT 1.4 COMBI
kiedyś_NIKO

KONTAKT 604285432



-
Dola

Post autor: Dola »

Znaczy sie tam jest mniej więcej tak :
http://img267.imageshack.us/img267/7016/recznygu7.jpg

pod spodem sa takie wejścia mniej więcej w połowie auta ( kolor niebieski ) na taki plaskiczek (kolor zielony) tylko ze tam nie ma żadnych motylków poza tym plastikiem linka jest "łysa"
Awatar użytkownika
Yagr
Posty: 14736
Rejestracja: 23 lip 2006, 00:12
Lokalizacja: Kraków
Pojemność: 1598
Rocznik: 2007
Generacja: MK2
Nadwozie: Kombi
Kontakt:

Post autor: Yagr »

regulacja wygląda tak
Załączniki
hamulec awaryjny regulacja.JPG
hamulec awaryjny regulacja.JPG (13.43 KiB) Przejrzano 7659 razy
Polak potrafi!!



ale mu się nie chce...
a jak mu się zechce...
to potrafi



spieprzyć!

P I W O L E C Z Y !

"wszystko co ma cycki lub koła będzie sprawiało problemy"
Dola

Post autor: Dola »

Moja linka wyglada natomiast tak:

Obrazek


i co teraz ?
Awatar użytkownika
Yagr
Posty: 14736
Rejestracja: 23 lip 2006, 00:12
Lokalizacja: Kraków
Pojemność: 1598
Rocznik: 2007
Generacja: MK2
Nadwozie: Kombi
Kontakt:

Post autor: Yagr »

i nie widzę żadnego problemu :) W escorcie linka składa się z 2 albo z trzech części. Pierwszy kawałek łączy dźwignię lewarka z resztą. Później są 2 warianty:
a-są 2 linki od każdego koła łączące się z tą pierwszą za pomocą półkolistego elementu metalowego;
b- jest jedna linka łącząca oba koła a na środku ma element metalowy do którego podczepia się ta pierwszą linkę. To na twojej fotce to wariant b.
Regulacja naciągu jest na tej pierwszej lince i po wejściu pod auto bez problemu można to zobaczyć.


p.s. z tą regulacją to do końca nie pamiętam czy na pierwszej czy na dalszej lince ale po wejściu pod auto nie da się tego przeoczyć ;)
Ostatnio zmieniony 20 lis 2007, 22:13 przez Yagr, łącznie zmieniany 1 raz.
Polak potrafi!!



ale mu się nie chce...
a jak mu się zechce...
to potrafi



spieprzyć!

P I W O L E C Z Y !

"wszystko co ma cycki lub koła będzie sprawiało problemy"
Dola

Post autor: Dola »

No i ta linka (taka krótka) idzie do środka samochodu ? .... z tego co pamiętam to ona jest "łysa" nie ma nic na niej, zakonczona jest jedynie gwintem ktory sie przykreca do drażka .... ale zaglądnę jeszcze pod auto i sie okaże


a pozatym na tej fotce jest dobrze linka od recznego, bo nie jest wogole naciagnieta a ja mam ja juz na najwiekszym luzie a dzwignia recznego ( ta w bebnie) jest naciagnieta az po ta czerwona kreske:
Obrazek
Awatar użytkownika
Yagr
Posty: 14736
Rejestracja: 23 lip 2006, 00:12
Lokalizacja: Kraków
Pojemność: 1598
Rocznik: 2007
Generacja: MK2
Nadwozie: Kombi
Kontakt:

Post autor: Yagr »

ta krótka linka jest od strony lewarka zakończona gwintem a z drugiej ma takie zakończenie w kształcie litery"T" które mocuje się w tej blasze w środku linki końcowej. A z bębnem to już na prawdę nie pamiętam... A rozbierać w tym roku tego już nie zamierzam ;) Ktoś się na pewno znajdzie z odpowiednią wiedzą i podpowie...
Polak potrafi!!



ale mu się nie chce...
a jak mu się zechce...
to potrafi



spieprzyć!

P I W O L E C Z Y !

"wszystko co ma cycki lub koła będzie sprawiało problemy"
Dola

Post autor: Dola »

No mowimy o tej samej lince , a Tobie chodzilo od podkrecenie recznego przy lewarku w srodku auta ?
Awatar użytkownika
Yagr
Posty: 14736
Rejestracja: 23 lip 2006, 00:12
Lokalizacja: Kraków
Pojemność: 1598
Rocznik: 2007
Generacja: MK2
Nadwozie: Kombi
Kontakt:

Post autor: Yagr »

nie, o regulacji pod spodem , na lince - to na foto z mojego wcześniejszego postu. Spróbuję ci znaleść jakiś rysunek...
Polak potrafi!!



ale mu się nie chce...
a jak mu się zechce...
to potrafi



spieprzyć!

P I W O L E C Z Y !

"wszystko co ma cycki lub koła będzie sprawiało problemy"
Dola

Post autor: Dola »

aż normalnie zaintrygowało mnie to i jak tylko zdarzę to wleze pod autko i zobaczę bo tak jak mowie z tego co wiem to ta linka nie ma żadnej regulacji....
Awatar użytkownika
Yagr
Posty: 14736
Rejestracja: 23 lip 2006, 00:12
Lokalizacja: Kraków
Pojemność: 1598
Rocznik: 2007
Generacja: MK2
Nadwozie: Kombi
Kontakt:

Post autor: Yagr »

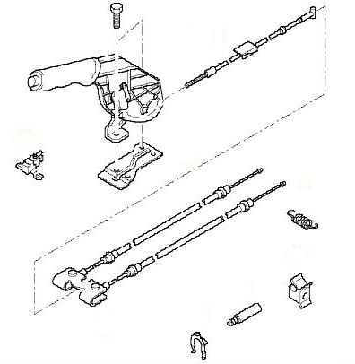
coś takiego...

chociaż tak jak napisałem wcześniej tych linek było co najmniej 2 rodzaje więc może się zdarzyć że u ciebie trzeba zrobić regulację na lewarku... Poza tym zrozumiałem że chodzi o kombi, może jutro odezwie się w tym temacie jakiś szczęśliwy posiadacz kombiczka ;)
Załączniki
awaryjny.JPG
Polak potrafi!!



ale mu się nie chce...
a jak mu się zechce...
to potrafi



spieprzyć!

P I W O L E C Z Y !

"wszystko co ma cycki lub koła będzie sprawiało problemy"
Dola

Post autor: Dola »

no jest cos takiego jak na zdjeciu .... ale ja dalej nie wiem w ktorym miejscu to mozna regulowac :P


EDIT: wlazłem pod to auto i zrobilem fote, bo dalej nie widze tam nic czym mozna pokecic czy wyregulowac :/

Tu widac zaslepke i wejscie do kabiny

Obrazek


Tu natomiast widac to co zaznaczylem na czerwono :

Obrazek


Nie mam zielonego pojecia co tam regulowac , a na drazku juz nie poluzuje bo jest na maxa juz poluzowane...
Dola

Post autor: Dola »

a co do tego tematu to wpadlem jeszcze na pomysł czy mozna kupic dłuzsza ta linke ktora wchodzi do kabiny, do dzwigni recznego ? bo jak bedzie dluzsza to auromatycznie poluzuje dalej linke w bebnach, jezeli jest taka opcja to moze wiecie od czego by taka linka pasowała ? albo czy sa moze do fordów ale innych modeli dłuzsze te linki ???
ODPOWIEDZ