gdzie znaleźć schemat elektryczny silnika
Moderator: Moderatorzy
-
rysiek_n
gdzie znaleźć schemat elektryczny silnika
potrzebuje schemat elektryczny silnika z dokładnym opisem modułu do esc 1.3 gaźnik 1993r i nie wiem gdzie go znaleźć??
-
Robson
Może to coś Ci ułatwi?
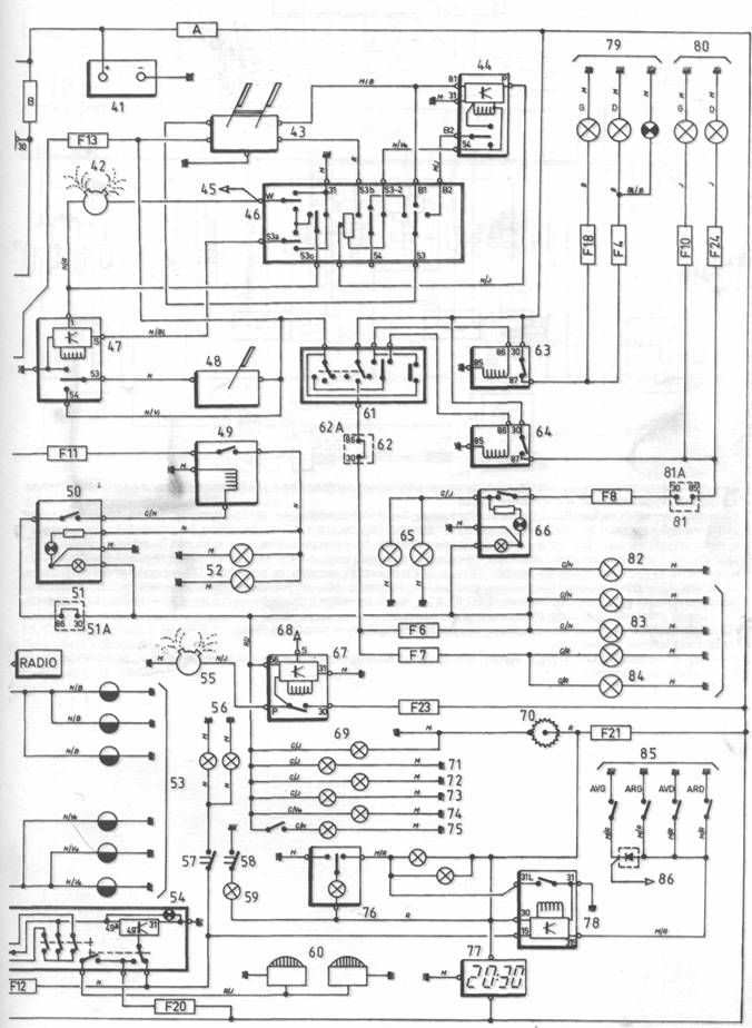
Rys. 12.23. Podstawowy schemat instalacji elektrycznej samochodów Ford Escort i Orion wyposażonych w silniki benzynowe
1—lampka kontrolna ciśnienia oleju, 2— czujnik ciśnienia oleju, 3 —lampka kontrolna ładowania akumulatora, 4—alternator, 5 — obrotomierz, 6—stabilizator napięcia, 7—wskaźnik temperatury cieczy chłodzącej, 8 — czujnik temperatury cieczy chłodzącej, 9 — wskaźnik poziomu paliwa, 10—czujnik poziomu paliwa, 11 — lampka kontrolna poziomu ptynu w zbiorniku spryskiwacza szyb, 12—czujnik poziomu płynu w zbiorniku spryskiwacza szyb, 13—lampka kontrolna zbyt niskiego poziomu płynu hamulcowego i włączenia hamulca awaryjnego, 14—włącznik dźwigni hamulca awaryjnego, 15—czujnik poziomu płynu hamulcowego, 16—przekaźnik elektrycznego sterowania szyb, 17—do przycisku kierowcy elektrycznego sterowania szyb drzwi bocznych, 18—przyciski elektrycznego sterowania szyb, 19—centralne blokowanie drzwi, 20 — rozrusznik, 21—przekaźnik automatycznej skrzynki przekładniowej, 21A—zwora (w samochodach z mechaniczną skrzynką przekładniową), 22 — do cewki zapłonowej, 23—do styku „15" przekaźnika ogrzewania szyby tylnej, 24—włącznik świateł hamowania, 25 — światła hamowania, 26—przekaźnik wyłącznika zapłonu (stacyjki), 27—wentylator chłodnicy, 28—termowyłącznik wentylatora chłodnicy, 29 — przełącznik regulacji intensywności nadmuchu powietrza, 30—dmuchawa, 31—do styku „86" przekaźnika wyłącznika zapłonu, 32 — ogrzewanie szyby tylnej, 33—wyłącznik ogrzewania szyby tylnej z lampką kontrolną, 34—przekaźnik ogrzewania szyby tylnej, 35—przełącznik elektrycznej regulacji lusterek zewnętrznych, 36—lusterka zewnętrzne, 37—żarówki oświetlenia podłogi z prawej i lewej strony, 38—włączniki otwarcia drzwi bocznych (AVG—drzwi przednie lewe, AVD—drzwi przednie prawe), 39—lampki kontrolne kierunkowskazów, 40—wyłącznik zapłonu, 41 —akumulator, 42—spryskiwacz szyby przedniej, 43—silnik wycieraczki szyby przedniej, 44—przekaźnik wycieraczki szyby przedniej, 45—do styku S przekaźnika spryskiwaczy reflektorów, 46 — przełącznik wycieraczek, 47—przekaźnik wycieraczki szyby tylnej, 48—silnik wycieraczki szyby tylnej, 49—przekaźnik przednich świateł przeciwmgłowych, 50—wyłącznik przednich świateł przeciwmgłowych z lampką kontrolną i oświetleniem wyłącznika, 51 —złącze przednich świateł przeciwmgłowych, 51A—zwora, 52 — przednie światła przeciwmgłowe, 53—kierunkowskazy, 54—przełącznik kierunkowskazów, włącznik sygnału dźwiękowego oraz włącznik świateł awaryjnych i lampka kontrolna świateł awaryjnych, 55—spryskiwacze reflektorów, 56—światła cofania, 57—włącznik świateł cofania, 58—włącznik otwarcia bagażnika, 59—lampa oświetlenia bagażnika, 60 —sygnały dźwiękowe, 61 —przełącznik oświetlenia zewnętrznego, 62—złącze obwodu świateł do jazdy dziennej, 62A—zwora, 63—przekaźnik świateł drogowych, 64—przekaźnik świateł mijania, 65—tylne światła przeciwmgłowe, 66—wyłącznik tylnych świateł przeciwmgłowych z lampką kontrolną i oświetleniem wyłącznika, 67 — przekaźnik spryskiwacza reflektorów, 68—do styku ,,W" przełącznika wycieraczek, 69—oświetlenie zapalniczki, 70—zapalniczka, 71 —oświetlenie przełączników regulacji ogrzewania i przewietrzania, 72—oświetlenie zestawu wskaźników, 73—oświetlenie zegara, 74—oświetlenie radioodbiornika, 75—oświetlenie schowka tablicy rozdzielczej, 76—oświetlenie wnętrza, 77 — zegar, 78 — przekaźnik czasowy oświetlenia wnętrza, 79—światła drogowe i lampka kontrolna świateł drogowych (G — światło prawe, D — światło lewe), 80—światła mijania (G — lewe, D — prawe), 81—złącze tylnych świateł przeciwmgłowych, 81A—zwora, 82— oświetlenie tablicy rejestracyjnej, 83—światła pozycyjne lewe, 84 — światła pozycyjne prawe, 85—włączniki otwarcia drzwi bocznych (AVG—drzwi przednie lewe, ARG — drzwi tylne lewe, AVD—drzwi przednie prawe, ARD — drzwi tylne prawe), 86—do styku ,,86" przekaźnika elektrycznego sterowania szyb
F1 do F27—bezpieczniki w skrzynce bezpieczników,
A i C — bezpieczniki główne w przedziale silnika LA—obwody płytki zestawu wskaźników, LB—oznaczenie koloru przewodu, LC—złącze, LD—złącze wewnętrzne, EEC IV obwód układu wtrysku benzyny, EDIS — obwód układu zapłonowego
Oznaczenia kolorów przewodów:
B — biały, Bl — niebieski, G —szary, J —żółty, M — brązowy, N — czarny, Or—pomarańczowy, R—czerwony, Ro—różowy, Ve—zielony, Vi—fioletowy
Albo to
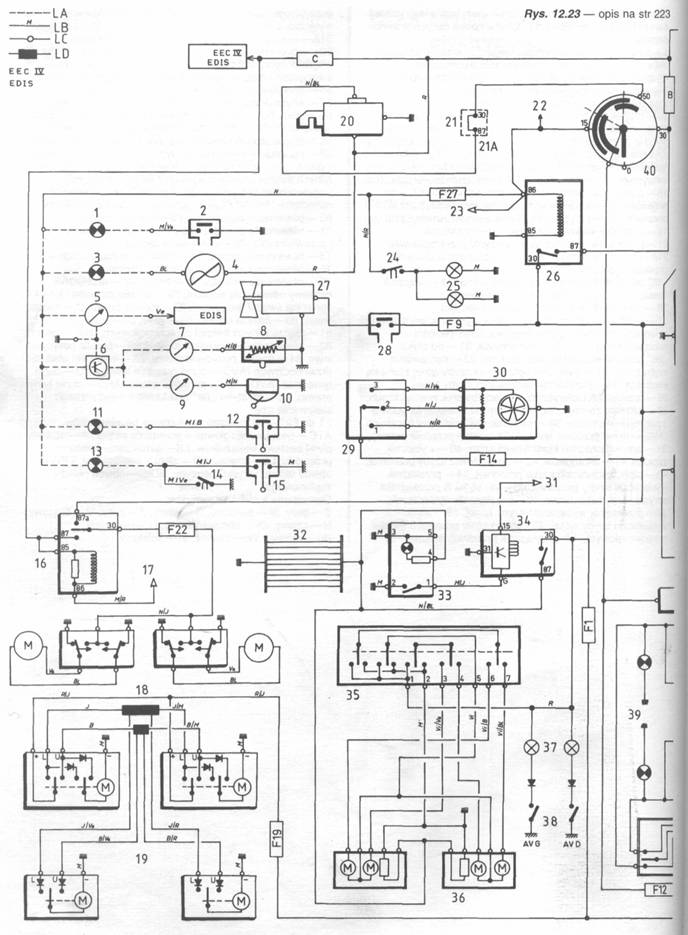
Rys. D.5. Schemat układu zapłonowego silnika gaźnikowego
1 — czujnik położenia i prędkości obrotowej wału korbowego, 2 — moduł zapłonu ESC, 3 — uzwojenie pierwotne cewki zapłonowej, 4 — podwójna cewka zapłonowa, 5 — świece zapłonowe A, B — uzwojenia wysokiego napięcia cewki zapłonowej
Rys. 12.23. Podstawowy schemat instalacji elektrycznej samochodów Ford Escort i Orion wyposażonych w silniki benzynowe
1—lampka kontrolna ciśnienia oleju, 2— czujnik ciśnienia oleju, 3 —lampka kontrolna ładowania akumulatora, 4—alternator, 5 — obrotomierz, 6—stabilizator napięcia, 7—wskaźnik temperatury cieczy chłodzącej, 8 — czujnik temperatury cieczy chłodzącej, 9 — wskaźnik poziomu paliwa, 10—czujnik poziomu paliwa, 11 — lampka kontrolna poziomu ptynu w zbiorniku spryskiwacza szyb, 12—czujnik poziomu płynu w zbiorniku spryskiwacza szyb, 13—lampka kontrolna zbyt niskiego poziomu płynu hamulcowego i włączenia hamulca awaryjnego, 14—włącznik dźwigni hamulca awaryjnego, 15—czujnik poziomu płynu hamulcowego, 16—przekaźnik elektrycznego sterowania szyb, 17—do przycisku kierowcy elektrycznego sterowania szyb drzwi bocznych, 18—przyciski elektrycznego sterowania szyb, 19—centralne blokowanie drzwi, 20 — rozrusznik, 21—przekaźnik automatycznej skrzynki przekładniowej, 21A—zwora (w samochodach z mechaniczną skrzynką przekładniową), 22 — do cewki zapłonowej, 23—do styku „15" przekaźnika ogrzewania szyby tylnej, 24—włącznik świateł hamowania, 25 — światła hamowania, 26—przekaźnik wyłącznika zapłonu (stacyjki), 27—wentylator chłodnicy, 28—termowyłącznik wentylatora chłodnicy, 29 — przełącznik regulacji intensywności nadmuchu powietrza, 30—dmuchawa, 31—do styku „86" przekaźnika wyłącznika zapłonu, 32 — ogrzewanie szyby tylnej, 33—wyłącznik ogrzewania szyby tylnej z lampką kontrolną, 34—przekaźnik ogrzewania szyby tylnej, 35—przełącznik elektrycznej regulacji lusterek zewnętrznych, 36—lusterka zewnętrzne, 37—żarówki oświetlenia podłogi z prawej i lewej strony, 38—włączniki otwarcia drzwi bocznych (AVG—drzwi przednie lewe, AVD—drzwi przednie prawe), 39—lampki kontrolne kierunkowskazów, 40—wyłącznik zapłonu, 41 —akumulator, 42—spryskiwacz szyby przedniej, 43—silnik wycieraczki szyby przedniej, 44—przekaźnik wycieraczki szyby przedniej, 45—do styku S przekaźnika spryskiwaczy reflektorów, 46 — przełącznik wycieraczek, 47—przekaźnik wycieraczki szyby tylnej, 48—silnik wycieraczki szyby tylnej, 49—przekaźnik przednich świateł przeciwmgłowych, 50—wyłącznik przednich świateł przeciwmgłowych z lampką kontrolną i oświetleniem wyłącznika, 51 —złącze przednich świateł przeciwmgłowych, 51A—zwora, 52 — przednie światła przeciwmgłowe, 53—kierunkowskazy, 54—przełącznik kierunkowskazów, włącznik sygnału dźwiękowego oraz włącznik świateł awaryjnych i lampka kontrolna świateł awaryjnych, 55—spryskiwacze reflektorów, 56—światła cofania, 57—włącznik świateł cofania, 58—włącznik otwarcia bagażnika, 59—lampa oświetlenia bagażnika, 60 —sygnały dźwiękowe, 61 —przełącznik oświetlenia zewnętrznego, 62—złącze obwodu świateł do jazdy dziennej, 62A—zwora, 63—przekaźnik świateł drogowych, 64—przekaźnik świateł mijania, 65—tylne światła przeciwmgłowe, 66—wyłącznik tylnych świateł przeciwmgłowych z lampką kontrolną i oświetleniem wyłącznika, 67 — przekaźnik spryskiwacza reflektorów, 68—do styku ,,W" przełącznika wycieraczek, 69—oświetlenie zapalniczki, 70—zapalniczka, 71 —oświetlenie przełączników regulacji ogrzewania i przewietrzania, 72—oświetlenie zestawu wskaźników, 73—oświetlenie zegara, 74—oświetlenie radioodbiornika, 75—oświetlenie schowka tablicy rozdzielczej, 76—oświetlenie wnętrza, 77 — zegar, 78 — przekaźnik czasowy oświetlenia wnętrza, 79—światła drogowe i lampka kontrolna świateł drogowych (G — światło prawe, D — światło lewe), 80—światła mijania (G — lewe, D — prawe), 81—złącze tylnych świateł przeciwmgłowych, 81A—zwora, 82— oświetlenie tablicy rejestracyjnej, 83—światła pozycyjne lewe, 84 — światła pozycyjne prawe, 85—włączniki otwarcia drzwi bocznych (AVG—drzwi przednie lewe, ARG — drzwi tylne lewe, AVD—drzwi przednie prawe, ARD — drzwi tylne prawe), 86—do styku ,,86" przekaźnika elektrycznego sterowania szyb
F1 do F27—bezpieczniki w skrzynce bezpieczników,
A i C — bezpieczniki główne w przedziale silnika LA—obwody płytki zestawu wskaźników, LB—oznaczenie koloru przewodu, LC—złącze, LD—złącze wewnętrzne, EEC IV obwód układu wtrysku benzyny, EDIS — obwód układu zapłonowego
Oznaczenia kolorów przewodów:
B — biały, Bl — niebieski, G —szary, J —żółty, M — brązowy, N — czarny, Or—pomarańczowy, R—czerwony, Ro—różowy, Ve—zielony, Vi—fioletowy
Albo to
Rys. D.5. Schemat układu zapłonowego silnika gaźnikowego
1 — czujnik położenia i prędkości obrotowej wału korbowego, 2 — moduł zapłonu ESC, 3 — uzwojenie pierwotne cewki zapłonowej, 4 — podwójna cewka zapłonowa, 5 — świece zapłonowe A, B — uzwojenia wysokiego napięcia cewki zapłonowej
- WieSiu
- Posty: 23759
- Rejestracja: 28 mar 2004, 17:41
- Lokalizacja: Wrocław
- Pojemność: 1600
- Rocznik: 1985
- Generacja: MK3
- Nadwozie: Sedan
- Kontakt:
a najlepszym zrodlem schematow elektrycznych jest program TIS 
Ford Thuderbird 4.6 1996
Escort 2.0 150KM LPG Cabrio 1991
Suzuki Vitara 1998 2.0 V6
Kymco Super 9 LC 2011
x Orion 1.6 79KM 1985 Automat, Lancia Phedra 3.0 204KM 2004, Windstar 3.0 148KM LPG 1997, Escort 1.8TD 90KM Van 1997, Scorpio 2.9 24v 207KM Sedan 1995, Fiesta 1.3 60KM 5D 1996, Escort 1.6 105KM 3D 1996, Escort 1.8 TD 70KM Van 1999, Puma 1.7 125KM 1998, Escort 1.8 TD 90KM Kombi Ghia 1996, Escort 1.3 60KM LPG 5D 1994/1995, Skoda 105 1984 a potem 1982
Escort 2.0 150KM LPG Cabrio 1991
Suzuki Vitara 1998 2.0 V6
Kymco Super 9 LC 2011
x Orion 1.6 79KM 1985 Automat, Lancia Phedra 3.0 204KM 2004, Windstar 3.0 148KM LPG 1997, Escort 1.8TD 90KM Van 1997, Scorpio 2.9 24v 207KM Sedan 1995, Fiesta 1.3 60KM 5D 1996, Escort 1.6 105KM 3D 1996, Escort 1.8 TD 70KM Van 1999, Puma 1.7 125KM 1998, Escort 1.8 TD 90KM Kombi Ghia 1996, Escort 1.3 60KM LPG 5D 1994/1995, Skoda 105 1984 a potem 1982