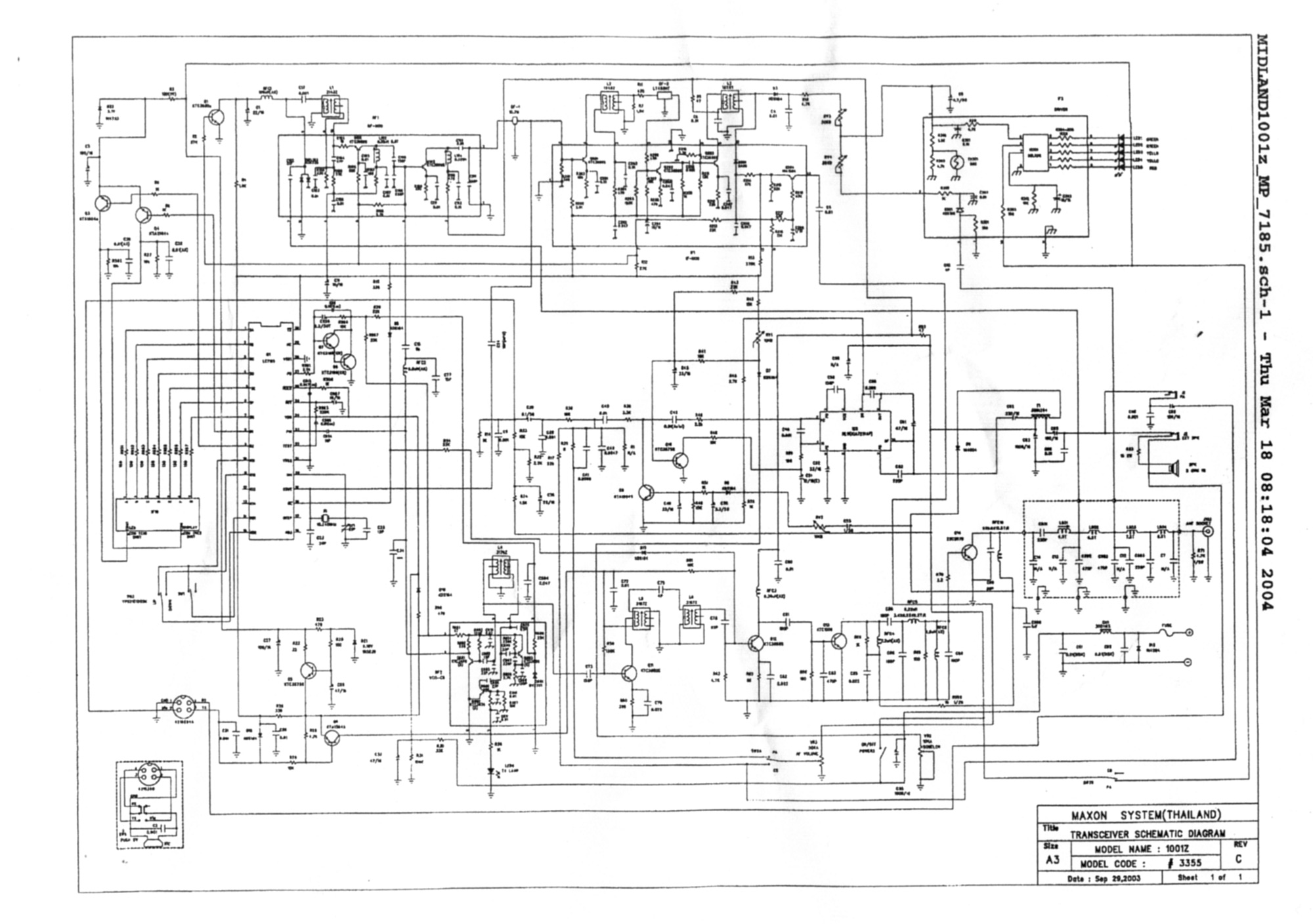
WieSiu pisze:ale wyglada na to ze jeszcze elementy wejsciowe z anteny (chyba wzmacniacz sygnalu)




Jamszoł pisze:że strzeliła końcówka mocy + wstępny wzmacniacz wejściowy .

Moderator: Moderatorzy
Jeszcze raz naprawdę bardzo dziękuję.Nie spodziewazłem się takiego obrotu sprawy.Uriel75 pisze:Rozkręcę to radio to zobaczę jak to wygląda, rzucę też okiem na schemat. Jeśli będą to dwa oddzielne układy to tak Mu wyślę. Jeśli będzie na oko widać, że więcej to całą elektronikę i tyle.
robertford, w poniedziałek wysyłka. Adres już mam w PW.