Pytanie o kostki zasilające od przełącznika zespolonego
Moderator: Moderatorzy
- Intruder D1
- Posty: 156
- Rejestracja: 13 sty 2008, 08:50
- Lokalizacja: Aleksandrów Łódzki
- Kontakt:
Pytanie o kostki zasilające od przełącznika zespolonego
Mam do was ogromna prośbę. Mam zamiar kupić nowy przełącznik zespolony no ale jest jeden problem. Zauważyłem że poprzedni właściciel bawił się w elektryka i trochę namieszał w instalacji. Teraz światła postojowe włączane są zupełnie innym osobnym włącznikiem przednie spryskiwacze włączane są poprzez pociągnięcie rączki od wycieraczek A z tego co mi wiadomo to tak się włącza tylną wycieraczkę i tylni spryskiwacz. No i jest jeszcze kilka uciążliwych zmian. Dlatego też mam prośbę żebyście wyjaśnili mi które piny z kostek za co odpowiada. Dorzucam zdjęcia tych kostek Dodam jeszcze że wycieraczki mam z 6 stopniową prędkością pracy.
- Załączniki
-
- Zdjęcie005.jpg (300.84 KiB) Przejrzano 12402 razy
http://www.polskajazda.pl/Samochody/Ford/Escort/27941 ZAPRASZAM DO ODWIEDZIN I KOMENTOWANIA 
-
Illuminati75
Opiszę Ci kolorami przewodów:
- czarny z białym - lewy migacz,
- czarny z zielonym - prawy migacz,
- czerwony - +12V,
- brązowy - masa,
- czerwony z żółtym - klakson,
- czarny i czarny z czerwonym - wycieraczka i spryskiwacz tylnej szyby,
- czerwony i zielony - wycieraczka przednia,
- czarny z żółtym, czarny z zielonym, brązowy z żółtym, brązowy z białym - czasowe sterowanie wycieraczką przednią,
- szary, żółty i biały - światła pozycyjne, mijania i długie.
Kolorystyka przewodów Escortów 1990 - 1995 rok.
Może to Ci w czymś pomoże. Numerację mogę Ci podać ale numeracja złączy za cholerę nie odpowiada tej, którą podałeś na zdjęciu. Na schematach widzę inną...
A najlepiej jakbyś sam zajrzał tutaj:
http://siec.no-ip.com/forum/viewtopic.php?t=8705
- czarny z białym - lewy migacz,
- czarny z zielonym - prawy migacz,
- czerwony - +12V,
- brązowy - masa,
- czerwony z żółtym - klakson,
- czarny i czarny z czerwonym - wycieraczka i spryskiwacz tylnej szyby,
- czerwony i zielony - wycieraczka przednia,
- czarny z żółtym, czarny z zielonym, brązowy z żółtym, brązowy z białym - czasowe sterowanie wycieraczką przednią,
- szary, żółty i biały - światła pozycyjne, mijania i długie.
Kolorystyka przewodów Escortów 1990 - 1995 rok.
Może to Ci w czymś pomoże. Numerację mogę Ci podać ale numeracja złączy za cholerę nie odpowiada tej, którą podałeś na zdjęciu. Na schematach widzę inną...
A najlepiej jakbyś sam zajrzał tutaj:
http://siec.no-ip.com/forum/viewtopic.php?t=8705
-
Illuminati75
- Intruder D1
- Posty: 156
- Rejestracja: 13 sty 2008, 08:50
- Lokalizacja: Aleksandrów Łódzki
- Kontakt:
Nie widać żeby kable były pocięte i lutowane. Pewnie poprzekładane są wtyczki w kostkach. Wiem na pewno że postojówki, oświetlenie zegarów, włączników nawiewu i podświetlenie rejestracji podłączone jest do osobnego włącznika i tam jest jakoś dziwnie puszczony kabel. Postaram się jutro porobić więcej dokładnych zdjęć.
http://www.polskajazda.pl/Samochody/Ford/Escort/27941 ZAPRASZAM DO ODWIEDZIN I KOMENTOWANIA 
- WieSiu
- Posty: 23759
- Rejestracja: 28 mar 2004, 17:41
- Lokalizacja: Wrocław
- Pojemność: 1600
- Rocznik: 1985
- Generacja: MK3
- Nadwozie: Sedan
- Kontakt:
Intruder D1, a poszukaj dalej idac po tych kablach,czy nie sa gdzie indziej pociete i pozamieniane. Do samej skrzynki isc powinny w calosci
Ford Thuderbird 4.6 1996
Escort 2.0 150KM LPG Cabrio 1991
Suzuki Vitara 1998 2.0 V6
Kymco Super 9 LC 2011
x Orion 1.6 79KM 1985 Automat, Lancia Phedra 3.0 204KM 2004, Windstar 3.0 148KM LPG 1997, Escort 1.8TD 90KM Van 1997, Scorpio 2.9 24v 207KM Sedan 1995, Fiesta 1.3 60KM 5D 1996, Escort 1.6 105KM 3D 1996, Escort 1.8 TD 70KM Van 1999, Puma 1.7 125KM 1998, Escort 1.8 TD 90KM Kombi Ghia 1996, Escort 1.3 60KM LPG 5D 1994/1995, Skoda 105 1984 a potem 1982
Escort 2.0 150KM LPG Cabrio 1991
Suzuki Vitara 1998 2.0 V6
Kymco Super 9 LC 2011
x Orion 1.6 79KM 1985 Automat, Lancia Phedra 3.0 204KM 2004, Windstar 3.0 148KM LPG 1997, Escort 1.8TD 90KM Van 1997, Scorpio 2.9 24v 207KM Sedan 1995, Fiesta 1.3 60KM 5D 1996, Escort 1.6 105KM 3D 1996, Escort 1.8 TD 70KM Van 1999, Puma 1.7 125KM 1998, Escort 1.8 TD 90KM Kombi Ghia 1996, Escort 1.3 60KM LPG 5D 1994/1995, Skoda 105 1984 a potem 1982
-
Illuminati75
Dokładnie tak jak pisze SzeFu - jeśli znasz się na schematach to zajrzyj w ten link, który jest w poście nagrodzonym "Pomógł" - tam masz wszystko dokładnie opisane wraz z numeracjami pinów itd. Wystarczy wziąć miernik i przedzwonić przewody
Jak nie dasz rady to pisz, ostatnio nie jestem za często na forum, ale postaram się pomóc...
Powodzenia.
Powodzenia.
- Intruder D1
- Posty: 156
- Rejestracja: 13 sty 2008, 08:50
- Lokalizacja: Aleksandrów Łódzki
- Kontakt:
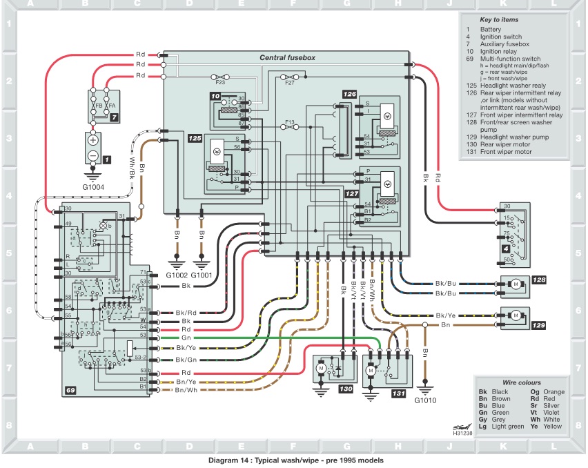
No więc tak Miałem dzisiaj chwile czasu i sprawdziłem dokładnie jakie kable idą do jakiego pinu w przełączniku zespolonym. Zamieszczam prosty opis numeru pinu i koloru kabla jaki do niego dochodzi.
http://www.polskajazda.pl/Samochody/Ford/Escort/27941 ZAPRASZAM DO ODWIEDZIN I KOMENTOWANIA 
-
Illuminati75
Korekta co i jak. Znalazłem małe błędy u Ciebie:
Wycieraczki:
53b (czerwony) - zasilanie silnika wycieraczki przedniej,
53c (czarny) - spryskiwacz,
53 (zielony) - sterowanie silnikiem wycieraczki przedniej,
31B1 (brązowy z białym) - wycieraczka przednia (czasówka - przekaźnik w skrzynce),
53W (czarny) - spryskiwacz,
H (żółty z czerwonym) - nie mam pojęcia...
53-2 (czarny z zielonym) - wycieraczka przednia (czasówka - przekaźnik w skrzynce),
53B2 (brązowy z żółtym) - wycieraczka przednia (czasówka - przekaźnik w skrzynce),
53a (czarny z czerwonym) - tylna wycieraczka,
54 (czarny z fioletowym) - powinien być czerwony! - zasilanie całości wycieraczek,
54-9 (skąd to 9?) (czarny z żółtym) - wycieraczka przednia (czasówka - przekaźnik w skrzynce).
Światła:
L (czarny z białym) - migacz lewy,
54 (czarny z fioletowym) - zasilanie,
56a (biały) - długie lub mijania (sprawdź kolor przewodu na żarówce (nie chce mi się schodzić do samochodu),
55 (biały z czarnym) - nie mam pojęcia...
56B (żółty) - długie lub mijania (sprawdź kolor przewodu na żarówce (nie chce mi się schodzić do samochodu),
R (czarny z zielonym) - migacz prawy),
30-9 (skąd to 9?) - (czerwony) - zasilanie przerywacza migaczy,
49 (czarny) - kontrolka migacza i awaryjnych),
31 (brązowy) - masa,
58 (szary) - sterowanie do przeciwmgielnych i oświetlenie zegarów,
30-7 (skąd to 7?) czerwony - zasilanie.
Jak coś to pisz - schematy chyba coś Ci podpowiedziały czy nie zaglądałeś? Wkleić odpowiednie tutaj?
Wycieraczki:
53b (czerwony) - zasilanie silnika wycieraczki przedniej,
53c (czarny) - spryskiwacz,
53 (zielony) - sterowanie silnikiem wycieraczki przedniej,
31B1 (brązowy z białym) - wycieraczka przednia (czasówka - przekaźnik w skrzynce),
53W (czarny) - spryskiwacz,
H (żółty z czerwonym) - nie mam pojęcia...
53-2 (czarny z zielonym) - wycieraczka przednia (czasówka - przekaźnik w skrzynce),
53B2 (brązowy z żółtym) - wycieraczka przednia (czasówka - przekaźnik w skrzynce),
53a (czarny z czerwonym) - tylna wycieraczka,
54 (czarny z fioletowym) - powinien być czerwony! - zasilanie całości wycieraczek,
54-9 (skąd to 9?) (czarny z żółtym) - wycieraczka przednia (czasówka - przekaźnik w skrzynce).
Światła:
L (czarny z białym) - migacz lewy,
54 (czarny z fioletowym) - zasilanie,
56a (biały) - długie lub mijania (sprawdź kolor przewodu na żarówce (nie chce mi się schodzić do samochodu),
55 (biały z czarnym) - nie mam pojęcia...
56B (żółty) - długie lub mijania (sprawdź kolor przewodu na żarówce (nie chce mi się schodzić do samochodu),
R (czarny z zielonym) - migacz prawy),
30-9 (skąd to 9?) - (czerwony) - zasilanie przerywacza migaczy,
49 (czarny) - kontrolka migacza i awaryjnych),
31 (brązowy) - masa,
58 (szary) - sterowanie do przeciwmgielnych i oświetlenie zegarów,
30-7 (skąd to 7?) czerwony - zasilanie.
Jak coś to pisz - schematy chyba coś Ci podpowiedziały czy nie zaglądałeś? Wkleić odpowiednie tutaj?
-
Illuminati75
Wszystko jest stosunkowo proste - jedynie magią są przewody do czasówki, ale nie mam chęci na kopanie w schematach. Jeśli ma przewody tak jak teraz opisał to tylko zespolony albo przełożyć, albo naprawić i po problemie. Zgłębiłem temat i jakoś czarnej magii z tym nie widzę, choć z drugiej strony - do końca takie proste to ustrojstwo nie jest...
- Intruder D1
- Posty: 156
- Rejestracja: 13 sty 2008, 08:50
- Lokalizacja: Aleksandrów Łódzki
- Kontakt:
Uriel75 DZIĘKI WIELKIE ZA POMOC. Pomogłeś mi bardzo. Schematy pasujące do tego to chyba 9 i 14 z kolei. 9 to światła a 14 wycieraczki
http://www.polskajazda.pl/Samochody/Ford/Escort/27941 ZAPRASZAM DO ODWIEDZIN I KOMENTOWANIA 
-
Illuminati75
- Intruder D1
- Posty: 156
- Rejestracja: 13 sty 2008, 08:50
- Lokalizacja: Aleksandrów Łódzki
- Kontakt:
No i nowy przełącznik już w domu. Jutro postaram się go założyć i napisze czy wszystko gra i buczy
http://www.polskajazda.pl/Samochody/Ford/Escort/27941 ZAPRASZAM DO ODWIEDZIN I KOMENTOWANIA 